GYA系列液壓安全閥裝于油缺罐頂部與呼吸閥配合使用,在呼吸閥一旦失靈時起安全作用。

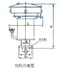
| 規格(DN) | 圖號 | 重量(㎏臺) | 安裝尺寸(毫米) | |||||||
|---|---|---|---|---|---|---|---|---|---|---|
| d | D | D1 | D2 | d1 | L | H | n | |||
| 80 | GYA-80 | 38 | Φ85 | Φ150 | Φ185 | Φ125 | Φ18 | 376 | 424 | 4 |
| 100 | GYA-100 | 42 | Φ105 | Φ170 | Φ205 | Φ145 | Φ18 | 500 | 605 | 4 |
| 150 | GYA-150 | 66 | Φ148 | Φ225 | Φ260 | Φ200 | Φ18 | 650 | 705 | 8 |
| 200 | GYA-200 | 97.2 | Φ210 | Φ280 | Φ315 | Φ255 | Φ18 | 900 | 755 | 8 |
| 250 | GYA-250 | 140.0 | Φ264 | Φ335 | Φ370 | Φ310 | Φ18 | 1050 | 885 | 12 |
溫馨提示:
本文中所有文字、數據、圖片均只適用于參考。需要查看更多的GYA系列液壓安全閥性能參數、結構尺寸參數、價格等詳情,或要求印刷樣本,請聯系我們。
主營產品:氣動調節閥 - 電動調節閥 - 自力式調節閥
版版權所有 © 上海大田閥門管道工程有限公司
地址:上海市浦東新區川宏路528號宏圖大樓5樓
