您現在所在位置:大田閥門 >> 襯氟閥門(襯里閥門)
D(6,9)41F、D(6,9)41Fs、D341F、D341Fs法蘭襯氟塑料蝶閥專用于控制非腐蝕性或強腐蝕性介質,閥體內腔表面覆有可供選擇的各種氟塑料,適用于不同工作溫度和流體管路。具有強度高、耐腐蝕性能好的特點。
適用溫度:≤100℃、≤120℃、≤150℃、(可按照襯里材料)
壓力等級:0.6、1.0、1.6
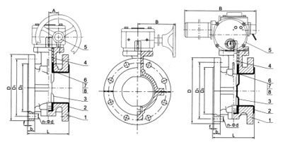
1、閥體2、蝶圈3、蝶板4、蝶桿5、驅動裝置6、四氟圈7、填料圈8、蝶形彈簧

| 公稱通徑 | L mm |
D mm |
D1 mm |
D2 mm |
b mm |
n-Фd mm |
f mm |
蝸輪裝置 | 氣動裝置 | 電動裝置 | |||
|---|---|---|---|---|---|---|---|---|---|---|---|---|---|
| A | B | A | B | A | B | ||||||||
| 50 | 108 | 165 | 125 | 102 | 20 | 4-18 | 3 | 45 | 120 | 125 | 94 | 162 | 187 |
| 65 | 112 | 185 | 145 | 122 | 20 | 4-18 | 3 | 45 | 120 | 165 | 108 | 162 | 187 |
| 80 | 114 | 200 | 160 | 133 | 22 | 8-18 | 3 | 45 | 120 | 185 | 128 | 162 | 187 |
| 100 | 127 | 220 | 180 | 158 | 22 | 8-18 | 3 | 45 | 120 | 185 | 128 | 162 | 187 |
| 125 | 140 | 250 | 210 | 184 | 24 | 8-18 | 3 | 45 | 120 | 210 | 137 | 162 | 187 |
| 150 | 140 | 285 | 240 | 212 | 24 | 8-22 | 3 | 66 | 150 | 224 | 160 | 162 | 187 |
| 200 | 152 | 340 | 295 | 268 | 26 | 8-22 | 3 | 85 | 170 | 295 | 182 | 409 | 513 |
| 250 | 165 | 370 | 350 | 320 | 28 | 12-22 | 4 | 85 | 170 | 382 | 228 | 409 | 513 |
| 300 | 178 | 445 | 400 | 370 | 28 | 12-22 | 4 | 106 | 205 | 382 | 228 | 409 | 513 |
| 350 | 190 | 505 | 460 | 430 | 30 | 16-22 | 4 | 106 | 205 | 440 | 262 | 409 | 513 |
| 400 | 216 | 565 | 515 | 485 | 32 | 16-26 | 4 | 130 | 240 | 585 | 332 | 409 | 513 |
| 450 | 222 | 615 | 565 | 532 | 32 | 20-26 | 4 | 155 | 240 | 585 | 332 | 409 | 513 |
| 500 | 229 | 670 | 620 | 585 | 34 | 20-26 | 4 | 169 | 306 | 585 | 332 | 409 | 513 |
| 600 | 267 | 780 | 725 | 685 | 36 | 20-30 | 5 | 198 | 324 | 642 | 380 | 409 | 513 |
| 700 | 292 | 895 | 840 | 800 | 40 | 24-30 | 5 | 200 | 335 | 702 | 438 | 409 | 513 |
| 800 | 318 | 1015 | 950 | 905 | 44 | 24-33 | 5 | 241 | 356 | 702 | 438 | 409 | 513 |
| 900 | 330 | 1115 | 1050 | 1005 | 46 | 28-33 | 5 | 241 | 356 | 1890 | 440 | 409 | 563 |
| 1000 | 410 | 1230 | 1160 | 1110 | 50 | 28-36 | 5 | 241 | 356 | 1890 | 545 | ||
溫馨提示:
本文中所有文字、數據、圖片均只適用于參考。需要查看更多的D(6,9)41F、D(6,9)41Fs、D341F、D341Fs法蘭襯氟塑料蝶閥性能參數、結構尺寸參數、價格等詳情,或要求印刷樣本,請聯系我們。