您現在所在位置:大田閥門 >> 襯膠閥門(襯里閥門)
設計與制造:Q/JBGN02 結構長度:Q/JBGN02 法蘭連接尺寸:JB78、GB4216
GJ(6,9)41X手動管夾閥的特性是以柔克剛,故具有良好的耐磨性和耐腐腐蝕性能。
適用溫度:≤85℃
適用介質:礦漿、磨料、干濕型粉塵類
壓力等級:0.6
襯里層:電火花檢測 實驗與檢驗按:GB/T 13927標準 公稱壓力:PN(MPa) 閥體:PN×1.5 密封:PN×1.1
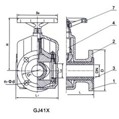
閥體:鋁合金、鑄鐵 套管:橡膠 閥桿:鑄銅、碳鋼 拉桿:碳鋼 壓桿:鋁合金
手輪:鑄鐵 托架:球墨鑄鐵
1、下閥體2、上閥體3、套管 4、閥桿 5、拉桿 6、壓桿7、手輪 8、 托架

| DN | 公稱壓力 | 工作壓力 | GJ41X-6L | GJ941X-6L | ||||||||||||||
|---|---|---|---|---|---|---|---|---|---|---|---|---|---|---|---|---|---|---|
| L | L1 | L0 | D | D1 | n-Фd | D0 | H | 質量 | H | 型號 | A | B | D0 | Kw | 質量 | |||
| 25 | 0.6 | 0.6 | 160 | 124 | 31 | 115 | 85 | 4-14 | 120 | 137 | 3 | ZA5-14 | 443 | 133 | 0.12 | 3 | ||
| 32 | 165 | 145 | 40 | *140 | 100 | 4-18 | 140 | 174 | 4.5 | 4.5 | ||||||||
| 40 | 190 | 157 | 50 | *150 | 110 | 4-18 | 140 | 186 | 5.5 | 5.5 | ||||||||
| 50 | 210 | 160 | 60 | 160 | 125 | 4-18 | 160 | 205 | 7.5 | ZA10-18 | 552 | 425 | 305 | 0.25 | 7.5 | |||
| 65 | 270 | 199 | 74 | 180 | 145 | 4-18 | 160 | 238 | 10.5 | ZA15-15 | 552 | 425 | 305 | 0.37 | 10.5 | |||
| 80 | 300 | 222 | 88 | 195 | 160 | 4-18 | 200 | 241 | 15.5 | ZA30-18 | 552 | 425 | 305 | 0.75 | 15.5 | |||
| 100 | 350 | 250 | 106 | 215 | 180 | 8-18 | 240 | 301 | 20 | ZA30-18 | 552 | 425 | 305 | 0.75 | 20 | |||
| 125 | 430 | 318 | 134 | 245 | 210 | 8-18 | 280 | 360 | 32.5 | 32.5 | ||||||||
| 150 | 500 | 350 | 158 | 280 | 240 | 8-23 | 320 | 348 | 48 | 1000 | 48 | |||||||
| 200 | 0.4 | 650 | 446 | 206 | 335 | 295 | 8-23 | 560 | 430 | 85 | 1174 | ZA45-18 | 766 | 390 | 305 | 1.1 | 102 | |
| 250 | 800 | 516 | 256 | *395 | 350 | 12-23 | 560 | 540 | ||||||||||
| 300 | 950 | 562 | 304 | *445 | 400 | 12-23 | 620 | 741 | ||||||||||
| 350 | 1100 | 500 | 460 | 16-23 | ||||||||||||||
注:1.帶*者法蘭標準為GB4216(PN1.0MPa)
2.表中電動裝置為天二通ZA型,是本廠基型產品,同時可按用戶要求配置。
溫馨提示:
本文中所有文字、數據、圖片均只適用于參考。需要查看更多的GJ(6,9)41X手動管夾閥性能參數、結構尺寸參數、價格等詳情,或要求印刷樣本,請聯系我們。