您現在所在位置:大田閥門 >> 襯膠閥門(襯里閥門)
衛生級隔膜閥專用于控制制藥、飲用食類介質的各類管路或設備上作啟閉及節流用。

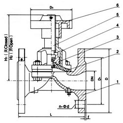
閥體:不銹鋼
閥蓋:不銹鋼
閥瓣:不銹鋼
食品級隔膜:無毒橡膠
閥桿:不銹鋼
手輪:鑄鐵、不銹鋼
襯里層:電火花檢測
試驗與檢驗按BS6755標準
公稱壓力:PN(MPa)
閥體:PN×1.5
密封:PN×1.1
| DN | 公稱壓力 MPa |
工作壓力 MPa |
L mm |
D mm |
D1 mm |
n-Фd mm |
f mm |
H1 mm |
H2 mm |
D0 mm |
質量 Kg/kilos |
|---|---|---|---|---|---|---|---|---|---|---|---|
| 15 | 1.6 | 1.6 | 108 | 95 | 65 | 4-14 | 2 | 84 | 92 | 66 | 2 |
| 20 | 117 | 105 | 75 | 4-14 | 2 | 93 | 105 | 66 | 3 | ||
| 25 | 127 | 115 | 85 | 4-14 | 2 | 100 | 112 | 66 | 4 | ||
| 32 | 146 | 140 | 100 | 4-18 | 2 | 127 | 144 | 96 | 6.5 | ||
| 40 | 159 | 150 | 110 | 4-18 | 2 | 136 | 156 | 96 | 7.5 | ||
| 50 | 190 | 165 | 125 | 4-18 | 2 | 151 | 177 | 96 | 10.5 | ||
| 65 | 1.0 | 1.0 | 216 | 185 | 145 | 4-18 | 2 | 183 | 213 | 165 | 17.5 |
| 80 | 254 | 200 | 160 | 8-18 | 2 | 190 | 230 | 230 | 25.5 | ||
| 100 | 305 | 220 | 180 | 8-18 | 2 | 242 | 285 | 280 | 36 | ||
| 125 | 356 | 250 | 210 | 8-18 | 3 | 285 | 348 | 280 | 47.5 | ||
| 150 | 406 | 285 | 240 | 8-22 | 3 | 353 | 431 | 368 | 74 | ||
| 200 | 0.6 | 521 | 340 | 295 | 8-22 | 3 | 445 | 537 | 483 | 143 |
主營產品:氣動調節閥 - 電動調節閥 - 自力式調節閥
版版權所有 © 上海大田閥門管道工程有限公司
地址:上海市浦東新區川宏路528號宏圖大樓5樓
