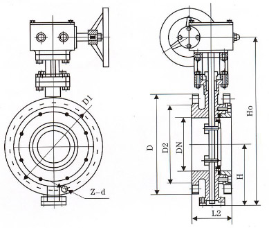
D37和3H-10K、20K、D343H-10K、20K系列日標蝶閥的主要結構特征為對夾式和法蘭式三偏心密封形式,閥座密封圈采用彈性密封和軟硬兼容的多層次密封兩種結構,其密封性能可靠,確保開啟時蝶板不接觸密封座,消除了密封座不均勻負載,延長了使用壽命,確保可靠的密封性能。具有耐高溫、耐磨損、耐腐蝕等優點。廣泛應用于石油、化工及工業環保水處理、高層建筑、給排水等管道上。
設計標準:API609-83 法蘭連接尺寸:JIS B2212 JIS B2213 JIS B2214 結構長度:JIS B2002-1987
壓力試驗:JIS B2003-1987
驅動形式:手柄、蝸輪、氣動、電動等

| 公稱通徑 | DN | 830W | 830L |
|---|---|---|---|
| 2″~36″ | 2″~36″ | ||
| 公稱壓力 | PN | 10K | 20K |
| 試驗壓力 | 強度實驗 | 1.5 | 3.0 |
| 密封實驗 | 1.1 | 2.2 | |
| 適用介質 | 水、蒸汽、油品、海水等 | ||
| 適用溫度 | -29~425℃ | ||
| 零件名稱 | 材料 |
|---|---|
| 閥體 | WCB、304、316、316SS、CF8M |
| 閥板 | WCB、304、316、316SS、CF8M |
| 閥桿 | 316、2Cr13、1Cr18Ni9Ti |
| 密封圈 | 316、氟塑料 |
| 填料 | 柔性石墨、氟塑料 |
| 公稱通徑 | 結構長度(標準值) | 外形尺寸(參考值) | 連接尺寸(標準值) | |||||||||||||
|---|---|---|---|---|---|---|---|---|---|---|---|---|---|---|---|---|
| H | D373H | D673H | D973H | 10K | 20K | |||||||||||
| 毫米 | 英寸 | L | H1 | A1 | B1 | H2 | A2 | B2 | H3 | A3 | B3 | D1 | Z-d | D1 | Z-d | |
| 50 | 2 | 43 | 112 | 350 | 180 | 200 | 625 | 245 | 72 | 530 | 250 | 255 | 120 | 4-19 | 120 | 8-19 |
| 65 | 21/2 | 46 | 115 | 370 | 180 | 200 | 625 | 245 | 72 | 530 | 250 | 255 | 140 | 4-19 | 140 | 8-19 |
| 80 | 3 | 49 | 120 | 380 | 180 | 200 | 645 | 245 | 72 | 565 | 250 | 255 | 150 | 8-19 | 160 | 8-23 |
| 100 | 4 | 56 | 138 | 420 | 180 | 200 | 675 | 355 | 92 | 600 | 250 | 255 | 175 | 8-19 | 185 | 8-23 |
| 125 | 5 | 64 | 164 | 460 | 180 | 200 | 715 | 355 | 92 | 640 | 250 | 255 | 210 | 8-23 | 225 | 8-25 |
| 150 | 6 | 70 | 175 | 555 | 270 | 280 | 800 | 355 | 92 | 705 | 300 | 315 | 240 | 8-23 | 260 | 12-25 |
| 200 | 8 | 70 | 208 | 605 | 270 | 280 | 850 | 250 | 170 | 775 | 300 | 315 | 290 | 12-23 | 305 | 12-25 |
| 250 | 10 | 76 | 243 | 680 | 270 | 280 | 925 | 250 | 170 | 945 | 300 | 315 | 355 | 12-25 | 380 | 12-27 |
| 300 | 12 | 83 | 283 | 800 | 380 | 420 | 1035 | 450 | 220 | 1070 | 300 | 315 | 400 | 16-25 | 430 | 16-27 |
| 350 | 14 | 92 | 310 | 835 | 380 | 420 | 1070 | 450 | 220 | 1140 | 300 | 315 | 445 | 16-25 | 480 | 16-33 |
| 400 | 16 | 102 | 340 | 915 | 450 | 470 | 1190 | 450 | 220 | 1210 | 300 | 315 | 510 | 16-27 | 540 | 16-33 |
| 450 | 18 | 114 | 380 | 960 | 480 | 490 | 1250 | 650 | 280 | 1335 | 575 | 714 | 565 | 20-27 | 605 | 20-33 |
| 500 | 20 | 127 | 410 | 1020 | 480 | 490 | 1290 | 650 | 280 | 1415 | 575 | 714 | 620 | 20-27 | 660 | 20-33 |
| 600 | 24 | 154 | 470 | 1225 | 480 | 490 | 1455 | 850 | 380 | 1605 | 656 | 810 | 730 | 24-33 | 770 | 24-39 |
| 700 | 28 | 165 | 550 | 1355 | 640 | 660 | 1585 | 850 | 380 | 1844 | 656 | 810 | 840 | 24-33 | 900 | 24-48 |
| 800 | 32 | 190 | 640 | 1470 | 640 | 660 | 1700 | 1250 | 380 | 2040 | 656 | 810 | 950 | 28-33 | 1030 | 24-56 |
| 900 | 36 | 203 | 710 | 1545 | 750 | 860 | 1965 | 1250 | 380 | 2255 | 785 | 863 | 1050 | 28-33 | 1140 | 28-56 |
| 1000 | 40 | 216 | 770 | 1795 | 850 | 900 | 2015 | 1250 | 380 | 2380 | 785 | 860 | 1160 | 28-39 | ||
| 1200 | 48 | 254 | 890 | 1965 | 850 | 900 | 2250 | 1250 | 380 | 2640 | 785 | 860 | 1380 | 32-39 | ||
| 公稱通徑 | 結構長度(標準值) | 外形尺寸(參考值) | 連接尺寸(標準值) | ||||||||||||||||
|---|---|---|---|---|---|---|---|---|---|---|---|---|---|---|---|---|---|---|---|
| L | H | D373H | D673H | D973H | 10K | 20K | |||||||||||||
| 毫米 | 英寸 | 短 | 長 | H1 | A1 | B1 | H2 | A2 | B2 | H3 | A3 | B3 | D | D1 | Z-d | D | D1 | Z-d | |
| 50 | 2 | 108 | 150 | 112 | 350 | 180 | 200 | 625 | 245 | 72 | 530 | 250 | 255 | 155 | 120 | 4-19 | |||
| 65 | 21/2 | 112 | 170 | 115 | 370 | 180 | 200 | 625 | 245 | 72 | 530 | 250 | 255 | 175 | 140 | 4-19 | 155 | 120 | 8-19 |
| 80 | 3 | 114 | 180 | 120 | 380 | 180 | 200 | 645 | 245 | 72 | 565 | 250 | 255 | 185 | 150 | 8-19 | 175 | 140 | 8-19 |
| 100 | 4 | 127 | 190 | 138 | 420 | 180 | 200 | 675 | 355 | 92 | 600 | 250 | 255 | 210 | 175 | 8-19 | 200 | 160 | 8-23 |
| 125 | 5 | 140 | 200 | 164 | 460 | 180 | 200 | 715 | 355 | 92 | 640 | 250 | 255 | 250 | 210 | 8-23 | 225 | 185 | 8-23 |
| 150 | 6 | 140 | 210 | 175 | 555 | 270 | 280 | 800 | 355 | 92 | 705 | 300 | 315 | 280 | 240 | 8-23 | 270 | 225 | 8-25 |
| 200 | 8 | 152 | 230 | 208 | 605 | 270 | 280 | 850 | 250 | 170 | 775 | 300 | 315 | 330 | 290 | 12-23 | 305 | 260 | 12-25 |
| 250 | 10 | 165 | 250 | 243 | 680 | 270 | 280 | 925 | 250 | 170 | 945 | 300 | 315 | 400 | 355 | 12-25 | 350 | 305 | 12-25 |
| 300 | 12 | 178 | 270 | 283 | 800 | 380 | 420 | 1035 | 450 | 220 | 1070 | 300 | 315 | 445 | 400 | 16-25 | 430 | 380 | 12-27 |
| 350 | 14 | 190 | 290 | 310 | 835 | 380 | 420 | 1070 | 450 | 220 | 1140 | 300 | 315 | 490 | 445 | 16-25 | 480 | 430 | 16-27 |
| 400 | 16 | 216 | 310 | 340 | 915 | 450 | 470 | 1190 | 450 | 220 | 1210 | 300 | 315 | 560 | 510 | 16-27 | 540 | 480 | 16-33 |
| 450 | 18 | 222 | 330 | 380 | 960 | 480 | 490 | 1250 | 650 | 280 | 1335 | 575 | 714 | 620 | 565 | 20-27 | 605 | 540 | 16-33 |
| 500 | 20 | 229 | 350 | 410 | 1020 | 480 | 490 | 1290 | 650 | 280 | 1415 | 575 | 714 | 675 | 620 | 20-27 | 675 | 605 | 20-33 |
| 600 | 24 | 267 | 390 | 470 | 1225 | 480 | 490 | 1455 | 850 | 380 | 1605 | 656 | 810 | 795 | 730 | 24-33 | 730 | 660 | 20-33 |
| 700 | 28 | 292 | 430 | 550 | 1355 | 640 | 660 | 1585 | 850 | 380 | 1844 | 656 | 810 | 905 | 840 | 24-33 | 845 | 770 | 24-39 |
| 800 | 32 | 318 | 470 | 640 | 1470 | 640 | 660 | 1700 | 1250 | 380 | 2040 | 656 | 810 | 1020 | 950 | 28-33 | 995 | 900 | 24-48 |
| 900 | 36 | 330 | 510 | 710 | 1545 | 850 | 900 | 1865 | 1250 | 380 | 2255 | 785 | 860 | 1120 | 1050 | 28-33 | 1140 | 1030 | 24-56 |
| 1000 | 40 | 410 | 550 | 770 | 1795 | 850 | 900 | 2015 | 1500 | 580 | 2380 | 785 | 863 | 1235 | 1160 | 28-39 | 1250 | 1140 | 28-56 |
| 1200 | 48 | 470 | 630 | 890 | 1385 | 850 | 900 | 2226 | 1500 | 580 | 2640 | 785 | 860 | 1465 | 1380 | 32-39 | |||
注:以上對夾式、法蘭式二種的傳動方式有:手動、蝸輪、氣動和電動。用戶訂貨時說明。