KD741自動保壓液控緩閉止回蝶閥 是目前用于水輪機進口處的關鍵控制設備,具有良好的密封、調節性能,該閥是本公司近年研制開發的新產品,通過對多種國內外同類產品進行認真考察與研究,創造了獨具特色的以三偏心為基本結構型式的液控蝶閥,經實地應用,操作系統運行良好,本蝶閥除了具有三偏心結構優點外還具備以下明顯優勢與特色。

| 型號 | 公稱壓力(MPa) | 實驗壓(MPa) | 適用溫度(℃) | 適用介質 | |
|---|---|---|---|---|---|
| 殼體實驗 | 密封試驗 | ||||
| KD741H-6C | 0.6 | 0.9 | 0.66 | ≤65 | 水 |
| KD741H-10C | 1.0 | 1.5 | 1.1 | ||
| 項目 | 公稱通徑 | ||
|---|---|---|---|
| DN≤1000 | DN≥1400 | ||
| 開閥時間(S) | 10~60可調 | 15~60可調 | |
| 關閥時間(S) | 快關 | 1.2~25可調 | 2~30可調 |
| 慢關 | 2~60可調 | 4~60可調 | |
| 關閥角度(°) | 快關 | 60°±10° | |
| 慢關 | 25°±10° | ||
| 名稱 型號 |
閥體 | 蝶板 | 蝶板密封圈 | 閥桿 | 閥座 | 填料 |
|---|---|---|---|---|---|---|
| DX7K41H-6/10 Z | 灰鑄鐵 | 球墨鑄鐵 | 丁腈橡膠 | 鉻不銹鋼 | 銅合金 | O型橡膠圈 |
| DX7K41H-6/10 C | 碳鋼 | 碳鋼 | 不銹鋼 | 鉻不銹鋼 | 不銹鋼 | 柔性石墨 |
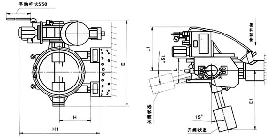
| 公稱通徑(mm) | 主要外形尺寸(mm) | 重量(kg) | |||||
|---|---|---|---|---|---|---|---|
| L | L1 | E | E1 | H | H1 | ||
| 500 | 350 | 800 | 1442 | 920 | 420 | 1100 | 1500 |
| 600 | 390 | 800 | 1634 | 1200 | 440 | 1500 | 1800 |
| 700 | 430 | 800 | 1728 | 1200 | 500 | 1200 | 2000 |
| 800 | 470 | 800 | 2000 | 1200 | 510 | 1210 | 2500 |
| 900 | 510 | 800 | 2130 | 1200 | 570 | 1270 | 3000 |
| 1000 | 550 | 800 | 2410 | 1300 | 620 | 1620 | 3000 |
| 1200 | 630 | 800 | 2600 | 1355 | 710 | 1710 | 4200 |
| 1400 | 710 | 800 | 2825 | 1355 | 820 | 1820 | 4900 |
| 1600 | 790 | 890 | 3141 | 1355 | 920 | 1920 | 5900 |
| 1800 | 870 | 890 | 3423 | 1760 | 1035 | 2035 | 6300 |
| 2000 | 950 | 890 | 3623 | 1860 | 1150 | 2140 | 6170 |
溫馨提示:
本文中所有文字、數據、圖片均只適用于參考。需要查看更多的KD741自動保壓液控緩閉止回蝶閥性能參數、結構尺寸參數、價格等詳情,或要求印刷樣本,請聯系我們。
主營產品:氣動調節閥 - 電動調節閥 - 自力式調節閥
版版權所有 © 上海大田閥門管道工程有限公司
地址:上海市浦東新區川宏路528號宏圖大樓5樓
