
D641X氣動法蘭式軟密封蝶閥由軟密封中線對夾式蝶閥與活塞式氣動執行器構成,活塞式氣缸具有力矩大開啟速度快的特點,另外再配上電磁閥可以實現對閥門的完美控制。另外雙偏心法蘭式蝶閥結構緊湊,90°回轉開關輕松,密封可靠,使用壽命長,被廣泛用于水廠、電廠、鋼廠、造紙、化工、飲食等系統供排水中,作為調節和截止使用。
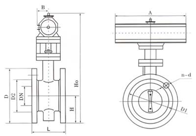
| 公稱通徑 | 結構長度(標準值) | 外形尺寸(參考值) | 連接尺寸(標準值) | 參考重量 | |||||||||||||||
|---|---|---|---|---|---|---|---|---|---|---|---|---|---|---|---|---|---|---|---|
| 0.6MPa | 1.0 MPa | 1.6 MPa | |||||||||||||||||
| 毫米 | 英寸 | L | H | Ho | A | B | D | D1 | D2 | n-d | D | D1 | D2 | n-d | D | D1 | D2 | n-d | |
| 50 | 2 | 108 | 82.5 | 338 | 180 | 65 | 140 | 110 | 88 | 4-14 | 165 | 125 | 99 | 4-18 | 165 | 125 | 99 | 4-18 | 14 |
| 65 | 21/ | 112 | 92.5 | 358 | 180 | 65 | 160 | 130 | 108 | 4-14 | 185 | 145 | 118 | 4-18 | 185 | 145 | 118 | 4-18 | 16 |
| 80 | 3 | 114 | 100 | 413 | 245 | 72 | 190 | 150 | 124 | 4-18 | 200 | 160 | 132 | 8-18 | 200 | 160 | 132 | 8-18 | 17 |
| 100 | 4 | 127 | 110 | 428 | 240 | 72 | 210 | 170 | 144 | 4-18 | 220 | 180 | 156 | 8-18 | 220 | 180 | 156 | 8-18 | 21 |
| 125 | 5 | 140 | 125 | 444 | 240 | 72 | 240 | 200 | 174 | 8-18 | 250 | 210 | 184 | 8-18 | 250 | 210 | 184 | 8-18 | 27 |
| 150 | 6 | 140 | 142.5 | 553 | 350 | 93 | 265 | 225 | 199 | 8-18 | 285 | 240 | 211 | 8-22 | 285 | 240 | 211 | 8-22 | 29 |
| 200 | 8 | 152 | 170 | 678 | 350 | 93 | 320 | 280 | 254 | 8-18 | 340 | 295 | 266 | 8-22 | 340 | 295 | 266 | 12-22 | 50 |
| 250 | 10 | 165 | 197.5 | 742 | 550 | 350 | 375 | 335 | 309 | 12-18 | 395 | 350 | 319 | 12-22 | 405 | 355 | 319 | 12-26 | 69 |
| 300 | 12 | 178 | 222.5 | 803 | 600 | 350 | 440 | 395 | 363 | 12-22 | 445 | 400 | 370 | 12-22 | 460 | 410 | 370 | 12-26 | 91 |
| 350 | 14 | 190 | 252.5 | 866 | 600 | 350 | 490 | 445 | 413 | 12-22 | 505 | 460 | 429 | 16-22 | 520 | 470 | 429 | 16-26 | 110 |
| 400 | 16 | 216 | 282.5 | 940 | 600 | 350 | 540 | 495 | 463 | 16-22 | 565 | 515 | 480 | 16-26 | 580 | 525 | 480 | 16-30 | 138 |
| 450 | 18 | 222 | 307.5 | 995 | 750 | 380 | 595 | 550 | 518 | 16-22 | 615 | 565 | 530 | 20-26 | 640 | 585 | 548 | 20-30 | 175 |
| 500 | 20 | 229 | 335 | 1058 | 750 | 380 | 645 | 600 | 568 | 20-22 | 670 | 620 | 582 | 20-26 | 715 | 650 | 609 | 20-33 | 210 |
| 600 | 24 | 267 | 390 | 1163 | 750 | 380 | 755 | 705 | 667 | 20-26 | 780 | 725 | 682 | 20-30 | 840 | 770 | 720 | 20-36 | 275 |
| 700 | 28 | 430 | 447.5 | 1283 | 750 | 380 | 860 | 810 | 772 | 24-26 | 895 | 840 | 794 | 24-30 | 910 | 840 | 794 | 24-36 | 530 |
| 800 | 32 | 470 | 507.5 | 1398 | 750 | 380 | 975 | 920 | 878 | 24-30 | 1015 | 950 | 901 | 24-33 | 1025 | 950 | 901 | 24-39 | 590 |
| 900 | 36 | 510 | 557.5 | 1498 | 1250 | 380 | 1075 | 1020 | 978 | 24-30 | 1115 | 1050 | 1001 | 28-33 | 1125 | 1050 | 1001 | 28-39 | 1400 |
| 1000 | 40 | 550 | 615 | 1608 | 1500 | 580 | 1175 | 1120 | 1078 | 28-30 | 1230 | 1160 | 1112 | 28-36 | 1255 | 1170 | 1112 | 28-42 | 1650 |
| 1200 | 48 | 630 | 727.5 | 1876 | 1500 | 580 | 1405 | 1340 | 1295 | 32-33 | 1455 | 1380 | 1328 | 32-39 | 1485 | 1390 | 1328 | 32-48 | 2140 |
| 公稱通經DN(mm) | 50~2000 | 50~1600 | |
|---|---|---|---|
| 公稱藥理PN(MPa) | 0.6 | 1.0 | 1.6 |
| 密封試驗(MPa) | 0.66 | 1.1 | 1.76 |
| 強度試驗(MPa) | 0.9 | 1.5 | 2.4 |
| 適用溫度 | 丁腈橡膠:-40℃~90℃氟橡膠:-20℃~200℃ | ||
| 適用介質 | 水、空氣、天然氣、油品及弱腐蝕性流體 | ||
| 泄漏率 | 符合GB/T13927-92標準 | ||
| 驅動方式 | 蝸輪傳動、電動、氣動、液動 | ||
| 零件名稱 | 材料 |
|---|---|
| 閥體 | WCB、QT450-10、HT200、HT250 |
| 蝶板 | WCB、QT450-10、HT200、HT250 |
| 閥軸 | 2Cr13 |
| 密封圈 | 丁腈耐油橡膠 |
| 填料 | 柔性石墨 |
| 制造標準 | GB/T 122387-89 |
|---|---|
| 法蘭標準 | GB9113-2000、GB17241.6-1998 |
| 結構長度標準 | GB12221-89 |
| 檢驗標準 | GB/T 13927-92 |
注:若用戶需用閥板襯橡膠等特殊要求,訂貨時請注明
溫馨提示:
本文中所有文字、數據、圖片均只適用于參考。需要查看更多的D641X氣動法蘭式軟密封蝶閥性能參數、結構尺寸參數、價格等詳情,或要求印刷樣本,請聯系我們。